正解:(1)

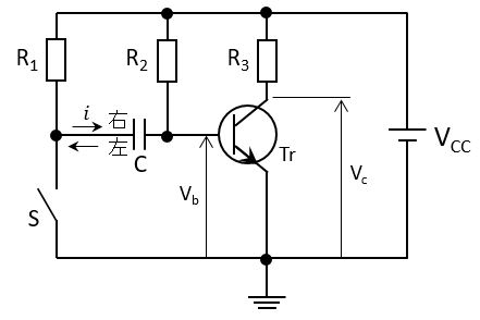
解説:スイッチSが開いている状態(オフ)のときには、トランジスタ⑤の固定バイアス回路であり、電源電圧VCCと抵抗R2に加わる電圧の差分の正の電圧が加わるため、トランジスタTrはオン状態となる。また、このときコンデンサCは抵抗R1を介して充電された状態であり、抵抗R2へ加わる電圧と等しい電圧が加わっている。次に、スイッチSを閉じる(オン)と、その瞬間にコンデンサCの正側(正電荷が蓄積されている左側)がアースと繋がるので、コンデンサCの負側(負電荷が蓄積されている右側)の電圧、つまりベースの電圧は負となる。コンデンサCに蓄積された正電荷は左方向へ放電される。やがてベース電圧は負から正へ変化し、コンデンサCには最初と逆向きに充電され、電源電圧VCCと抵抗R2の電圧の差分(つまりベース電圧Vb)の電圧が加わる。コレクタ電圧は、電源電圧VCCと抵抗R3に加わる電圧の差分であり、コレクタ電流が大きくなると、R3に加わる電圧が大きくなるため、コレクタ電圧は小さくなる。また、コレクタ電流はベース電流の20~200倍程度流れるため、ベース電流が大きくなるとコレクタ電流も大きくなり、コレクタ電圧は下がっていく。問題文bの中で、ベース電圧が負(つまりベース電流が流れていない状態)から、ベース電圧が正(つまりベース電流が流れている状態)へ変化しているので、コレクタ電流が増加し、結果としてコレクタ電圧VCは下がる。